伺服电机配减速机选型注意事项
在减速机的选型过程中,我们需要特别注意的是以下几个参数的选择与计算:
A、减速机输出轴扭矩的计算;
B、传动机构的最大速度的计算;
C、传动机构的安装方式的选择;
D、减速机传动精度的选择;
F、减速机接口的配置;
接下来就从以上几个方面来详细的介绍一下,减速机过程中的选择依据和方法。
一、减速机输出轴扭矩的计算
减速机的输出扭矩,即是我们对传动机构计算得出的需求扭矩,你选择减速机的目的就是希望:
电机额定扭矩最小化(也即成本最小化)+减速机(增大扭矩)=得到一个较大的扭矩输出。
其实,减速机在机械结构中的应用好处有很多,例如增大扭矩,减小惯量,减小传动机构对伺服电机的冲击,自锁传动机构等等。
当然,其核心价值所在,还是增大扭矩。所以当你确认你的传动机构所需要的扭矩后,然后再对比一下你选定的伺服电机的扭矩,然后这两个扭矩的比值就是你要选择的减速机扭矩的减速比,当然我们通常会让机构的最终扭矩有一定的冗余,所以传动比要选得稍微大一点。
所以这个过程中,有两个参数非常重要,即你需要的最终扭矩和伺服电机的额定扭矩,只有知道了这两个参数,你才能确认你选择的减速电机的减速比。
例如上图的样本中,减速机的型号为:AB042-单节,我们在选择的时候,需要注意几个地方,第一就是看减速机的外形,例如上式中的042,其实外形尺寸为42*42mm,这个时候注意去和你的伺服电机的外形做比较,通常我们选择外形相当的减速机就可以了。
二、传动机构最大速度的计算
对于传动机构的最大速度,机械设计工程师一定是需要自行确认的,因为这个参数牵涉到减速机的减速比的选择,在我们选择减速比的时候,并不是说能够无限的增大减速比的,因为减速比越大,虽然扭矩会越大,但是同时也意味着输出转速会降低,这也就导致了整个传动机构的运行速度降低。
所以在扭矩和转速之间,我们需要去做一个平衡,在满足机械机构的传动速度的前提下,尽量增加减速比来提升传动扭矩,这才是合理的选择。
当然,一个传动机构,其传动速度并不完全决定在减速机上,伺服电机的转速,传动丝杆的螺距,齿轮的大小等等都是决定因素,所以我们在做结构设计的时候,需要综合的去考虑,但是减速比的大小也是一个决定因素,是需要我们去注意的。
三、传动机构安装方式的选择
对于减速机的选择,除了上述的参数选择,还要对减速机的类型和安装方式进行选择,例如你选择的减速机是行星减速机,还是蜗轮蜗杆减速机,是同轴直联式,还是90度垂直安装等等。
特别是对于蜗轮蜗杆减速机的选择,有其特定的应用场景,例如要求整个运动机构具备自锁功能,我们很多时候都有这样的设计需求,例如传动机构是垂直安装的时候,为了避免机构在电机断电后下坠,通常我们选择蜗轮蜗杆式的减速机。
当然很多人会抬杠说可以选择带抱闸的伺服电机,其实理论上是可以的,而且通常垂直方向的伺服电机我们都会选择抱闸电机,但是我们在实际的应用中会发现,伺服电机在通电的瞬间很多机构会出现微量下坠的现象,如果这个时候你选择的是蜗轮蜗杆的减速机,那就可以很好的避免这样的现象,因为蜗轮蜗杆的减速机是带自锁功能的。
当然这个自锁是有前提的,传动比要大于一定的比值,蜗轮蜗杆的减速机才能真正起到自锁的作用,减速比太小依然是不可靠的,最好要超过30,在使用的时候可以和减速机厂家好好的沟通一下,他们有相关参数的。
所以选择什么样的型号的安装方式也很重要,并不是随心所欲的去做选择的。
四、减速机传动精度的选择
减速机的传动精度,这完全取决于你设计的传动机构的精度要求,只要按你的功能进行相应的参数匹配就可以了,当然这可是实打实的成本,精度越高,成本越高,而且很多时候高到你无法接受,特别是一些好的品牌,玩不起啊。
在上图中,传动精度有特别的标注,你只需要按其解释的精度选择即可,如果不满足的话就换型号,如果还不满足的话,那就换品牌。
五、减速机接口的配置
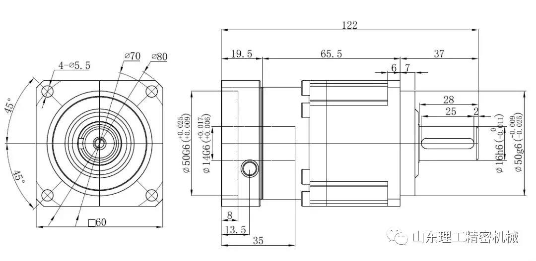
在选择减速机的过程中,有两个减速机的接口是需要我们通过图纸来明确的。
同时还要求减速机结构形式,外型尺寸既能满足设备要求,同时能与所选用的伺服电机连接。

例如这样一个图纸,第一个接口是减速机与伺服电机的接口,这个通常是需要定制的,减速机生产厂家会根据客户选择的伺服电机的接口来定制减速机的接口,所以在和减速机供应商沟通的时候,你需要提供伺服电机的接口给他们。
第二是减速机的输出接口,通常来说,这个接口我们都是按减速机供应商的标准来选择,除非你有特殊要求。
因为所有的定制都是要花成本的,所以在你做设计的时候,一定要结合成本来考虑,尽量选择供应商的标准品来采购,除非是逼不得已。
